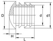
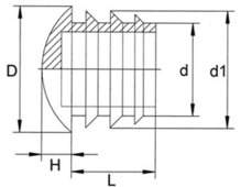
Dupsko ø12-ø40

Produktinfo: 

Pakket i enheder á 1000 stk.

Dupsko med lameller, for runde rør. Buet hoved.
For indvendig montering.

Har du spørgsmål til produktet eller brug for en pris?
Udfyld felterne herunder, og vi vender hurtigt tilbage til dig – senest næste hverdag. Bemærk: Vi handler kun med erhvervskunder med CVR-nummer. Felter markeret med (*) er skal udfyldes.